430MHz帯ヘンテナの製作 JH1NDM@萩原
1.部品材料(ネジ類)M3×10ナベコネジ、平座、ばね座、ナット、R2-3S端子、R1.25ー3S端子


2.加工部品(M3スペーサ―)20o M3×6ナベコネジ穴及びφ3×10o穴加工、10o φ3穴加工
20o
10o
3.VP 13塩ビパイプ穴あけ加工

4.φ3o硬銅線折り曲げ、M3ネジ加工

5.給電ユニット(硬銅線ネジ及び削り加工)+R2-3S端子+10oスペーサ―ネジ類
6.給電部塩ビ板穴あけ加工

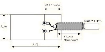
7.Spertopf(シュペルトップバラン)の構造


8.Spertopf(シュペルトップバラン)の加工

給電用同軸ケーブルアッシー(3D2V 50Ω)L=1.2mの先端加工

同軸外皮の上にSpertopf(網線)を同軸の反対側から被せる

Spertopfの先端と同軸外皮接続部をはんだ付けで処理

収縮チューブを被せ(よった網線:4.0K Spertopf外装:8.0K)ヘアドライヤーで収縮

端子(心線:R1.25−3S 網線:R2−3S)のはんだ付け

9.アンテナの組立て

エレメント長 (1/2λ:35p 1/6λ:11.5p)
塩ビパイプにエレメント硬銅線を下図の様に差し込み給電部スペーサ―ねじを通してから
先端から5.5pの処で折り曲げる

給電部の組立て(2ヶ所のネジ締め)

10.給電用同軸ケーブル先端BNCコネクター取付加工
同軸ケーブルの網線・芯線共に5mmの寸法で被覆を剥き芯線にコネクターのピンのはんだ供給
穴に流し込む。その時はんだが多すぎると側に流れてピンが入らなくなるので注意
コネクタの組み立ては下図のように固定ネジ部分、平ワッシャー、ゴムリング、網線クランプの順
にケーブルに装着し先端の網線を裏返してからコネクター本体に挿入しネジ締めをして完成する
※ 網線のひげで芯線にショートしないように注意すること





430MHz帯ヘンテナ完成

完成品のSWR性能
1.5以下(430〜440MHz)